Уже сразу после первой фазы инжиниринговых работ, можно начинать проектные работы по строительству элеватора. Проектирование должно осуществляться специализированным предприятием, имеющим не только необходимые для этого лицензии, но и крайне необходимый опыт.
Один читатель обратил наше внимание на то, что в списке задач на этой странице отсутствует разработка технико-экономического обоснования (ТЭО, бизнес-план). И он, конечно, прав!
Однако, как правило, проектирование зернового элеватора начинается уже после разработки бизнес-плана. Бизнес-план проводится ещё на этапе предпроектных работ (начальная фаза инжиниринга).
Дело в том, что проектирование — это уже сам по себе недешевый участок работы. Заказывать разработку проекта, не имея бизнес-плана – нецелесообразно! Бизнес-план и ТЭО должны быть проанализированы еще до начала проектирования. А на этапе проектирования они только уточняются.
Если у вас есть потребность в грамотном проекте зернового элеватора или зернохранилища, просто позвоните нам: +380 (50) 398-2629.
Этапы проектирования элеватора
Работы по проекту принято разбивать на два этапа: предварительное проектирование и рабочий проект.
Предварительный проект
Также называют предпроектом или стадией ПП. Типовое содержание стадии ПП:
- Общая пояснительная записка.
- Генеральный план и транспорт (размещение на плане зерносушилки, зернохранилища, зерносепараторов, зернотранспортные развязки и т.п.).
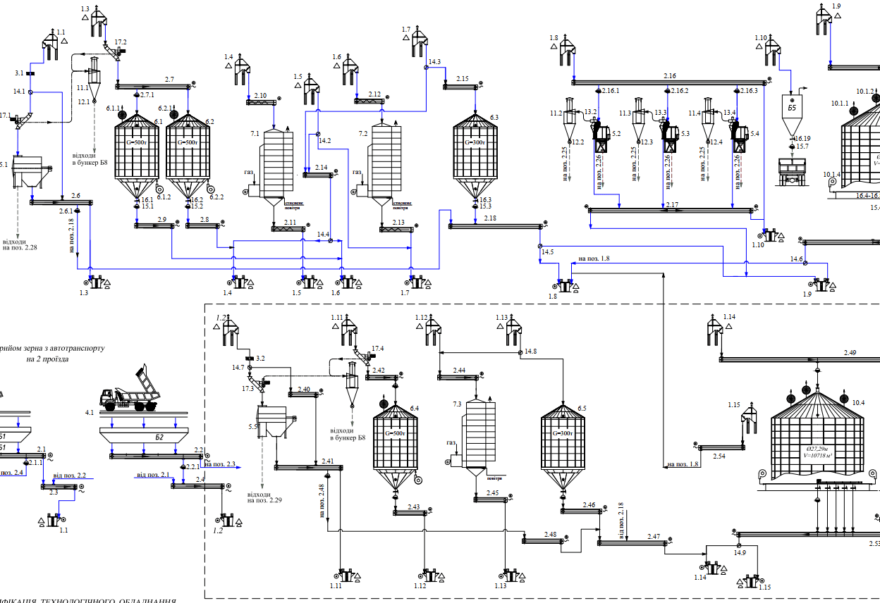
- Технологические решения (в. т.ч. технологическая схема).
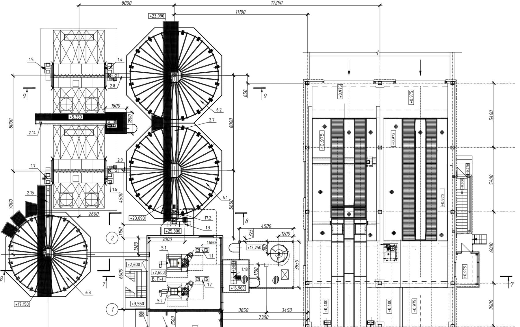
- Конструкции металлические.
- Конструкции бетонные.
- Электротехнические решения, освещение, молниезащита и заземление.
- Автоматическая система управления технологическими процессами.
- Водопровод и канализация.
- Отопление и вентиляция.
- Оценка влияния на окружающую среду (ОВНС).
- Проект организации строительства (ПОБ).
- Сведенная смета расчета строительства.
На этом этапе мы также должны получить градостроительные условия, которые выдаются региональным органом градостроения и архитектуры на основании градостроительного расчёта, который готовим мы (проектная организация). Сложность получения градостроительных условий и разрешения на строительство будет зависеть от класса сложности объекта (чем он выше, тем сложнее их получить).
Строительство можно начинать, как только вы получили такое разрешение!
В реальной жизни проектная организация подключается на разных этапах реализации процесса создания элеватора. Однако, нужно помнить, что чем раньше вы подключите проектантов, тем меньше ошибок будет допущено!
Мы рекомендуем начинать общение с проектным институтом прямо сейчас! Будет идеально, если вы ещё не успели сделать геологию и геодезию участка.
Рабочий проект
Это уже документ для строительства. Также называется стадия РП. Типовое содержание стадии РП:
- Генеральный план и транспорт
- Технологические решения
- Конструкции металлические
- Конструкции бетонные
- Электротехнические решения, освещение, молниезащита и заземление
- Автоматическая система управления технологическими процессами
- Водопровод и канализация
- Отопление и вентиляция
Стоимость проектирования элеватора
Стоимость проектирования элеваторного или зернового комплекса может очень сильно колебаться в зависимости от объема выполняемых работ и их сложности. Мы просим обратиться к нам по телефону +380 (50) 398-2629, чтобы мы смогли уточнить все вопросы и подготовить для вас коммерческое предложение на проектирование вашего объекта.
Для ориентировки, хочется отметить, что если речь идет о большом элеваторе, то стоимость проектных работ обычно колеблется в промежутке от 0.5% до 2.0% от общей стоимости всех работ по строительству элеватора. Это, конечно, тоже деньги, но правильный проект поможет вам сэкономить гораздо больше средств и избежать ненужных дополнительных расходов!
Кроме того, в ряде случаев есть возможность получить грант Евросоюза на часть или всю стоимость проектных работ. (см. ниже)

Сроки проектирования элеватора
В принципе, сроки очень сильно разнятся. Связано это с объёмом как самих работ, так и размеров проектируемого объекта. Некоторые заказчики над одной только технологической схемой могут сидеть месяцами! (И тут они правы. Лучше уделить технологической схеме максимум внимания). Поэтому, часто сроки – не короткие.
Лучше начинать проект как можно раньше. Даже раньше, чем вы думаете. Иначе будут такие ситуации, как в цитате Владимира Поперечного, которая приведена ниже.
Однако, реальности жизни часто не позволяют нам заблаговременно начать проектирование элеватора. Мы бы сказали, не часто, а почти всегда. Своевременному началу проекта мешают учредители, финансирование (точнее его недостаток), разрешительная документация, коррумпированность чиновников и многие другие факторы.
Поэтому, на самом деле, проект и работы ведутся параллельно. Все элементы проекта выдаются поэтапно, таким образом чтобы у заказчика не было задержек ни в сроках получения разрешительной документации, ни в сроках введения элеватора в эксплуатацию.
“Как-то в начале проекта строительства элеватора сидим большим коллективом заказчик-подрядчики – планируем реализацию проекта. Красивые диаграммы Гантта – каждый где-то там что-то закончил )). Каждый отстаивает свои задачи. Аргументировано и красочно. Но все-равно в срок не попадаем. В итоге очень горячая дискуссия. Заходит секретарша и просто спрашивает: “А почему вы раньше не начали?”. И что тут ответить ))”
В.Поперечный, “Активпроект”
Финансирование проектных работ
Заключение
От правильности проектирования элеватора зависят такие важные параметры, как:
1) стоимость строительства всего элеватора,
2) эффективность его работы и
3) себестоимость предоставляемых им услуг.
Это три ключевых параметра, влияющих на срок окупаемости проекта. Не занижайте важность фазы проектирования!








